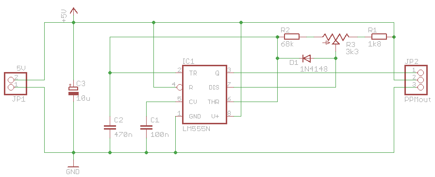
Diese Schaltung simuliert einen PPM (Puls-Pausen-Modulation) Kanal eines Fernsteuerungsempfängers. Das Signal besteht aus einem abhängig von der Einstellung an der Fernsteuerung ca. 1,0ms bis 2,0ms langen Puls von 5V gefolgt von einer Pause auf 0V. Dieses Signal wird ca. alle 20ms wiederholt.
Während des positiven Pulses am Ausgang wird der Kondensator C2 über R1 und R3 geladen. Die Ladezeit hängt von der Potistellung R3 ab (1ms bis 2ms). D1 überbrückt den im Vergleich zu R1 und R3 großen R2. Die Ladephase endet wenn die Threshold-Spannung des NE555 (ca. 3,3V) erreicht ist. Der Ausgang geht damit in die Pausenphase auf 0V. Gleichzeitig wird der Kondensator C2 über DIS am NE555 entladen, was aber länger als die Ladung dauert (ca. 20ms), da D1 sperrt und die Entladung über R2 laufen muss. Die Entladung endet und der Zyklus beginnt von vorne, wenn die Trigger-Spannung des NE555 (ca. 1,6V) erreicht ist.
